This project is the definitive Masterclass in Portable Audio Engineering and Multi-Peripheral Synchronization. The Arduino Nano Every MP3 system is a high-performance Digital Media Workstation designed to showcase the power of the ATMega4809 processor. By integrating a dedicated **TF16 MP3 Decoder**, a crisp **I2C OLED HUD**, and a **Mechanical Joystick**, this project empowers you to build a professional-grade audio interface that provides real-time track metadata and tactile volume manipulation.


Audio Infrastructure and Control Architecture Overview
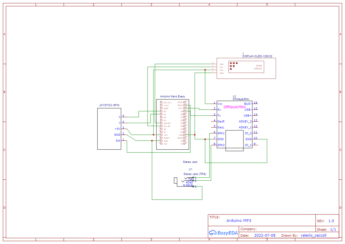
The Nano Every MP3 Framework functions through a specialized Poll-Command-Play lifecycle. The system is built on a high-reliability Multi-Module Data Mesh:
- ATMega4809 Core Logic: Utilizing the Arduino Nano Every, the system benefits from 50% more program memory than standard Nanos, allowing for complex OLED menu rendering and DFPlayer control without sacrificing stability.
- Tactile Navigation Shunt: Standard buttons are replaced with a PS2 Thumb Joystick. The X-axis handles track skipping (Next/Prev), while the Y-axis provides a precision volume logarithmic sweep, mapped instantly to the audio module.
- High-Fidelity Audio Synthesis: The TF16 (DFPlayer Mini) module handles the heavy processing of MP3/WAV files from the SD card, outputting a clean stereo signal to the 3.5mm female jack for headphones or external speakers.
Hardware Infrastructure & The Media Tier
- Arduino Nano Every (The Logic Hub): A chosen high-efficiency microcontroller that manages the I2C Bus (OLED) and Soft-Serial (MP3) communications simultaneously, ensuring no frame drops in the UI during playback.
- 0.91" I2C OLED HUD: The "Visual Telemetry Node." It displays real-time data including track number, current volume level, and play/pause status in a high-contrast white-on-black format.
- 3.5mm Stereo Output Matrix: A precision-mounted female jack. The wiring logic: Sleeve to Common Ground, Tip to Speaker 1, and Ring to Speaker 2, providing a standard interface for industrial audio hardware.
- INPUT_PULLUP Network: To avoid electrical "Bounce" and floating pins on the joystick buttons, the firmware uses the MCU's internal pull-up resistors, which can be further refined with external 10k resistors for silent operation.

Technological Logic and UX Algorithms
The system reaches professional-grade reliability through several Firmware Design Strategies:
- State-Machine Menu Rendering: The OLED logic updates only when a change is detected (e.g., joystick push), minimizing I2C traffic and ensuring the audio buffer remains prioritized.
- Joystick Scaling Logic: The raw 0-1023 analog values from the joystick are mapped to a 0-30 scale for volume, providing a smooth, user-friendly "Slide-to-Adjust" experience.
- Dynamic Track Fetching: The system looks for files named with numeric prefixes (e.g., "01.mp3") on the Micro SD card, enabling predictable sequential and random-access navigation.
- Hardware Scalability: By using the Nano Every's robust 5V rail, the system can drive both the logic and the audio amplification without additional power isolation, making it a perfect mobile audio asset.
Why This Project is Important
Mastering High-Performance MCU Logic and Human Interface Design is an essential skill for Consumer Electronics Designers and Embedded Systems Engineers. It teaches you how to coordinate multiple digital protocols (I2C, Serial) into a single, cohesive user experience. Beyond simple music players, these same principles are used in Industrial Control Terminals, Smart Medical Devices, and Interactive Kiosks. Building this project proves you can engineer a professional-grade media asset that prioritizes audio quality, visual clarity, and intuitive mechanical control.
Pro-Tip for Zero Noise: If you experience clicks during joystick movement, consider adding a 0.1uF de-coupling capacitor across the 5V and GND pins of the audio module to filter out electromagnetic interference.