HC3 CubeSat ภาพรวม
เจ้า HC3 CubeSat นี้คือดาวเทียมน้ำหนักเบา ถูกออกแบบมาเพื่อการศึกษาและงานวิจัยล้วนๆ ตัวโครงสร้างทั้งหมดสร้างขึ้นด้วยเทคโนโลยีการพิมพ์ 3 มิติขั้นสูง แบ่งเป็น 4 ส่วนโมดูลาร์ที่ล็อกเข้าด้วยกันเป็นตัวดาวเทียมสมบูรณ์ ด้วยการใช้เส้นพลาสติก PPA-CF ทำให้ HC3 ทั้งทนทานและน้ำหนักเบา เหมาะสมสุดๆ สำหรับงานอวกาศ การออกแบบเน้นเรื่องความคุ้มค่าและเข้าถึงได้ง่าย แสดงให้เห็นว่าการพิมพ์ 3D จะมาปฏิวัติวงการสร้างดาวเทียมได้ยังไง
บทบาทของ BambuLab
เทคโนโลยีการพิมพ์ 3 มิติสุดล้ำของ BambuLab มีบทบาทสำคัญมากในการพัฒนา HC3 เครื่องพิมพ์ความแม่นยำสูงและการสนับสนุนวัสดุขั้นสูงอย่างเส้นพลาสติกเสริมคาร์บอนไฟเบอร์ของพวกเขา ทำให้การออกแบบที่ซับซ้อนและโครงสร้างที่แข็งแรงเป็นจริงได้ ความร่วมมือนี้เป็นตัวอย่างที่ดีของศักยภาพในการนำความเชี่ยวชาญด้านการพิมพ์ 3D แบบเชิงพาณิชย์มาใช้ในโครงการอวกาศ ช่วยลดช่องว่างระหว่างเครื่องมือระดับผู้บริโภคกับโครงการสำรวจอวกาศขั้นสูงได้อีกขั้น







ภารกิจ HC3: การออกแบบ สถาปัตยกรรม และการวิเคราะห์ระบบสำหรับการทำงานของ CubeSat
บทคัดย่อ
งานวิจัยนี้นำเสนอการวิเคราะห์เชิงลึกเกี่ยวกับการออกแบบ โครงสร้าง การจัดวางส่วนประกอบ และความสามารถในการทำงานของ HC3 CubeSat ภารกิจของ HC3 คือการเก็บข้อมูลสิ่งแวดล้อมขณะโคจร และส่งข้อมูลสำคัญกลับมายังสถานีภาคพื้นดิน HC3 CubeSat ใช้อุปกรณ์ขั้นสูง ซึ่งรวมถึงโครงคอมโพสิตที่แข็งแรง ระบบพลังงานแสงอาทิตย์ และลิงก์สื่อสารวิทยุ LoRa ที่ถูกปรับให้เหมาะสมเพื่อความน่าเชื่อถือในระยะยาวและประสิทธิภาพการทำงานในวงโคจรระดับต่ำ (LEO)
1. บทนำ
โครงการ HC3 CubeSat เริ่มต้นขึ้นด้วยภารกิจหลักเพื่อสาธิตเทคโนโลยี CubeSat ที่คุ้มค่า เชื่อถือได้ และอเนกประสงค์ ออกแบบมาเพื่อรวบรวมและส่งข้อมูลสิ่งแวดล้อม ภารกิจ HC3 มุ่งเน้นการใช้ระบบขนาดกะทัดรัดที่มีประสิทธิภาพซึ่งสนับสนุนการรับรู้ระยะไกลและการส่งข้อมูลผ่านดาวเทียม CubeSat นี้ผสานวัสดุและเทคโนโลยีล้ำสมัย เพื่อให้มั่นใจในความทนทานและการทำงานในสภาพแวดล้อมที่ท้าทายของอวกาศ
2. ภาพรวมภารกิจ
HC3 จะถูกปล่อยเข้าสู่วงโคจร LEO โดยจะทำงานอัตโนมัติ เก็บข้อมูลอุณหภูมิ ความชื้น และความกดอากาศ รวมถึงพารามิเตอร์สิ่งแวดล้อมอื่นๆ ข้อมูลที่เก็บได้จะถูกส่งกลับมายังโลกโดยใช้เทคโนโลยีวิทยุ LoRa โดยมีระยะเวลาภารกิจที่วางแผนไว้ 6 เดือน ภารกิจนี้ยังมุ่งที่จะตรวจสอบสมรรถนะของวัสดุคอมโพสิต PPA-CF (polyphthalamide carbon fiber) ในโครงสร้าง CubeSat ซึ่งอาจมีนัยสำคัญต่อการออกแบบดาวเทียมในอนาคต
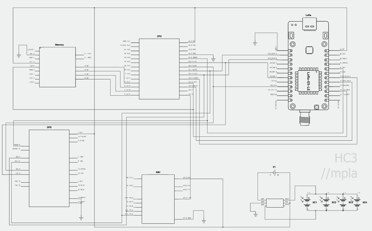
3. การออกแบบและโครงสร้าง
องค์ประกอบโครง: โครงของ HC3 สร้างจากวัสดุคอมโพสิต PPA-CF ซึ่งให้อัตราส่วนความแข็งแรงต่อน้ำหนักสูงและทนความร้อนได้ดีเยี่ยม วัสดุนี้เหมาะสำหรับการสร้างดาวเทียมขนาดเล็กเนื่องจากความทนทานในสภาพแวดล้อมที่มีอุณหภูมิสุดขั้ว
การจัดการความร้อน (Thermal Management): เราใช้การควบคุมความร้อนแบบพาสซีฟผ่านคุณสมบัติของวัสดุ PPA-CF ที่ทนต่อการเปลี่ยนแปลงของอุณหภูมิได้ดี วิธีนี้จะช่วยรักษาความสมบูรณ์ของระบบและป้องกันความเสียหายให้กับชิ้นส่วนภายในที่บอบบาง
ความแข็งแรงของโครงสร้าง (Structural Integrity): โครงและตัวเรือนถูกออกแบบมาให้ทนทานต่อแรงกดดันระหว่างการปล่อยจรวด โดยใช้โครงสร้างที่กะทัดรัดและน้ำหนักเบา เพื่อลดมวลโดยไม่ลดทอนความแข็งแรง
4. ระบบพลังงาน (Power System)
- การเก็บพลังงาน (Battery Storage): HC3 ใช้แบตเตอรี่ลิเธียมไอออนโพลิเมอร์ ขนาด 3.7V 2500mAh ซึ่งถูกเลือกมาเพราะมีอัตราส่วนความจุต่อน้ำหนักที่ดีและชาร์จซ้ำได้
- พลังงานแสงอาทิตย์ (Solar Energy): วงจร Solar Lipo Charger จะคอยดูแลให้มีพลังงานต่อเนื่อง โดยใช้แผงโซลาร์เซลล์ในการจับและแปลงแสงอาทิตย์เพื่อชาร์จแบตเตอรี่ ระบบพลังงานสองทางนี้ช่วยลดการพึ่งพาการแทรกแซงจากภาคพื้นดิน ทำให้ HC3 ทำงานได้อิสระมากขึ้น
- การจัดการพลังงาน (Energy Management): การกระจายพลังงานที่มีประสิทธิภาพถูกควบคุมโดยไมโครคอนโทรลเลอร์ที่คอยตรวจสอบระดับพลังงาน เพื่อให้แน่ใจว่ามีการจัดสรรพลังงานระหว่างระบบต่างๆ อย่างเหมาะสม
รายละเอียดทางเทคนิคเพิ่มเติม: การกระจายพลังงาน (Power Distribution)
เวลาที่โปรเจคจบจากเบรดบอร์ดไปสู่การติดตั้งจริง สายไฟมักจะกลายเป็นฝันร้ายที่ยุ่งเหยิง ระบบพลังงานของ HC3 CubeSat ถูกออกแบบให้เป็น "บอร์ดสมอง (Brain Board)" สำหรับการกระจายพลังงานที่มีระบบและมีฟิวส์ป้องกัน ศัตรูตัวฉกาจของความน่าเชื่อถือคือสัญญาณรบกวนทางไฟฟ้าและกระแสไฟกระชาก
- ระบบไฟสองทาง (The Dual Rail System): สถาปัตยกรรมพลังงานจะแยก ไฟลอจิก (Logic Power) (5V/3.3V สำหรับ Arduino/เซ็นเซอร์) ออกจาก ไฟกำลัง (Brawn Power) (12V/24V สำหรับมอเตอร์และแอคชูเอเตอร์) โดยสมบูรณ์
- การควบคุมแรงดัน (Voltage Regulation): ตัวแปลงแรงดันแบบบัค LM2596 Buck Converter ขนาดใหญ่จะช่วยแยกไมโครคอนโทรลเลอร์และเซ็นเซอร์ที่บอบบาง ออกจากแรงดันตกมหาศาลที่เกิดขึ้นเมื่อโหลดกระแสสูง เช่น มอเตอร์ N20 สำหรับควบคุมทิศทาง ถูกเปิดใช้งานพร้อมกัน
- การป้องกัน (Protection): ทุกช่องทางส่งออกกำลังสูงจะได้รับการป้องกันด้วย ฟิวส์ใบมีดรถยนต์ (Automotive Blade Fuse) ของตัวเอง หากมอเตอร์ติดขัดและดึงกระแสเกิน ฟิวส์จะขาดอย่างสะอาดก่อนที่เมนบอร์ดจะเสียหาย
5. ระบบสื่อสาร (Communication System)
- วิทยุ LoRa: CubeSat ใช้โมดูล FireBeetle LoRa Radio 433MHz สำหรับการส่งข้อมูล โมดูลนี้เหมาะสำหรับการสื่อสารระยะไกล สามารถส่งข้อมูลได้ในระยะทางที่สำคัญแม้ CubeSat จะมีขนาดเล็ก
- โปรโตคอลการส่งข้อมูล (Transmission Protocol): การมอดูเลตแบบ LoRa ช่วยให้ใช้พลังงานและแบนด์วิธได้อย่างมีประสิทธิภาพ ซึ่งสำคัญมากสำหรับดาวเทียมขนาดเล็กที่มีพลังงานจำกัด
6. ระบบควบคุมและการขับเคลื่อน (Control System and Propulsion)
- อินเทอร์เฟซควบคุมภาคพื้นดิน (Ground Control Interface): การสื่อสารกับสถานีภาคพื้นดินจะเกิดขึ้นตามช่วงเวลาที่กำหนดเพื่ออัปโหลดแพ็กเก็ตข้อมูล โดยมีโปรโตคอลสำรองในกรณีที่การส่งล้มเหลว
- การควบคุมทิศทาง (Attitude Control): เราใช้มอเตอร์เกียร์หนอน N20 สำหรับควบคุมการวางตัวของ CubeSat อย่างแม่นยำ มอเตอร์นี้ช่วยให้หมุนบนแกนคงที่ได้ ช่วยในการปรับตำแหน่งเพื่อรับแสงแดดที่แผงโซลาร์เซลล์ได้ดีที่สุด หรือปรับแนวสำหรับการเก็บข้อมูล
- ความเสถียร (Stability): ด้วยมอเตอร์เกียร์หนอน CubeSat สามารถรักษาทิศทางที่เสถียรได้ระหว่างโคจร การตั้งค่านี้มีประสิทธิภาพสำหรับการปรับแต่งเล็กๆ น้อยๆ ซึ่งจำเป็นสำหรับการเพิ่มประสิทธิภาพการเก็บข้อมูล
รายละเอียดทางเทคนิคเพิ่มเติม: การทำงานของอาร์เรย์ MOSFET
ระบบใช้การสวิตช์กำลังแบบโซลิดสเตตเพื่อการควบคุมที่แม่นยำ
- แทนที่จะใช้รีเลย์กลที่ช้าและมีเสียงคลิก การออกแบบนี้ใช้แบงค์ของ MOSFET ระดับลอจิก IRLZ44N
- Arduino จะส่งคำสั่งไปที่ขาเกตของ MOSFET เหล่านี้
- เพราะ MOSFET สวิตช์ได้อย่างราบรื่น ระบบจึงสามารถทำ PWM (Pulse Width Modulation) สำหรับงานต่างๆ เช่น ปรับความเร็วของมอเตอร์ควบคุมทิศทางอย่างละเอียด หรือหรี่ไฟ LED เสริม ในขณะที่ยังจ่ายกระแสสูงได้อยู่
- ฮีตซิงค์ อลูมิเนียมขนาดใหญ่ถูกติดกับ MOSFET เพราะการสวิตช์กระแสสูงจะสร้างพลังงานความร้อนที่ต้องระบายออก
7. เซ็นเซอร์และการเก็บข้อมูล (Sensors and Data Collection)
ชุดเซ็นเซอร์ (Sensor Array): HC3 ติดตั้งโมดูล Arduino Nicla Sense ME ทำให้สามารถวัดพารามิเตอร์สภาพแวดล้อมต่างๆ เช่น อุณหภูมิ ความดัน และความชื้นได้
การจัดการข้อมูล (Data Management): ข้อมูลที่เซ็นเซอร์เก็บมาน่ะ จะถูกประมวลผล จัดเก็บ และส่งลงมายังสถานีภาคพื้นผ่านลิงก์วิทยุ LoRa ข้อมูลพวกนี้ช่วยประเมินสภาพบรรยากาศ และยังเอาไปใช้ตรวจสอบความทนทานของ CubeSat ในสถานการณ์การทำงานต่างๆ ได้ด้วยนะ เก็บข้อมูลให้ดีๆ นะน้อง!
การปรับเทียบเซ็นเซอร์ (Sensor Calibration): ระบบซอฟต์แวร์บนดาวเทียมจะจัดการปรับเทียบเซ็นเซอร์เป็นระยะๆ เพื่อให้มั่นใจว่าข้อมูลแม่นยำตลอดอายุภารกิจ ห้ามช็อตนะตัวนี้!
8. หน่วยประมวลผล (Processing Unit)
ตัวประมวลผลและการจัดการข้อมูล (Processor and Data Handling): หน่วยประมวลผลหลักของเราติดตั้งระบบไมโครคอนโทรลเลอร์ขั้นสูงไว้ จัดการประสานงานการทำงานทั้งหมดของ CubeSat ทั้งเก็บข้อมูล ประมวลผล ส่งข้อมูล แถมยังควบคุมการกระจายพลังงานอีกด้วย งานเข้าเต็มๆ งานนี้!
การจัดการข้อผิดพลาด (Error Management): ตัวประมวลผลมีโปรโตคอลแก้ไขข้อผิดพลาดฝังอยู่ เพื่อจัดการกับปัญหาการส่งข้อมูลที่ขาดหาย และรักษาความเสถียรของระบบให้ทำงานได้ตลอด สู้งานนะน้อง!
9. สรุป (Conclusion)
CubeSat HC3 ตัวนี้ถูกออกแบบมาเพื่อรับมือกับภารกิจในวงโคจรระดับต่ำ (LEO) ด้วยโครงสร้างที่ปรับใช้ได้หลากหลายและระบบอัตโนมัติที่ออกแบบมาสำหรับการเก็บและส่งข้อมูลในระยะยาว ภารกิจนี้แสดงให้เห็นแนวทางปฏิบัติจริงของการใช้ดาวเทียมขนาดเล็ก โดยใช้วัสดุคอมโพสิตที่ทนทาน การจัดการพลังงานที่มีประสิทธิภาพ และโปรโตคอลการสื่อสารที่เชื่อถือได้ งานต่อไปเราจะไปสำรวจการนำเทคโนโลยีของ HC3 ไปใช้ในวงโคจรที่สูงขึ้นและแพลตฟอร์มดาวเทียมที่ใหญ่ขึ้นกัน ตามติดกันมาได้เลย!







เป้าหมายภารกิจ HC3: การเก็บข้อมูลและการสาธิตเทคโนโลยีเพื่อการประยุกต์ใช้ในอวกาศ
บทคัดย่อ
ภารกิจ CubeSat HC3 เป็นโครงการนวัตกรรมที่มุ่งพัฒนาวิธีการเก็บข้อมูลและทดสอบเทคโนโลยีใหม่ๆ ในสภาพแวดล้อมวงโคจรระดับต่ำ (LEO) ออกแบบมาเพื่อตรวจสอบสภาพแวดล้อมและทดสอบเซ็นเซอร์ล้ำสมัย ระบบจัดการพลังงาน และระบบสื่อสาร ภารกิจ HC3 นี้มีเป้าหมายเพื่อยกระดับขีดความสามารถของ CubeSat สำหรับการประยุกต์ใช้ที่ขับเคลื่อนด้วยข้อมูล บทความนี้จะสรุปวัตถุประสงค์ทางวิทยาศาสตร์ การทดลองเป้าหมาย และการบูรณาการเทคโนโลยีที่เป็นหัวใจของภารกิจ HC3
1. บทนำ
เมื่อภารกิจ CubeSat ขยายขอบเขตออกไป ความสนใจในการใช้ดาวเทียมขนาดเล็กเหล่านี้เพื่อการเก็บข้อมูลที่แข็งแกร่งและการทดสอบเทคโนโลยีในอวกาศก็เพิ่มขึ้น ภารกิจ CubeSat HC3 ที่พัฒนาขึ้นโดยใช้วัสดุและดีไซน์แบบโมดูลาร์ที่ทันสมัย ให้แพลตฟอร์มที่ปรับใช้ได้หลากหลายสำหรับการทดลอง ซึ่งมุ่งพัฒนาความเข้าใจของเราเกี่ยวกับการเก็บข้อมูลสิ่งแวดล้อมใน LEO และเพื่อตรวจสอบนวัตกรรมฮาร์ดแวร์ใหม่ๆ งานใหญ่เริ่มแล้ววว!
2. วัตถุประสงค์ทางวิทยาศาสตร์
ภารกิจ HC3 มุ่งเน้นหลักๆ ไปที่การเก็บข้อมูลบรรยากาศและสนามแม่เหล็ก โดยมีวัตถุประสงค์เพิ่มเติมเกี่ยวกับการทดสอบระบบประหยัดพลังงานใหม่ๆ และเทคโนโลยีการสื่อสารข้อมูลที่ทนทาน วัตถุประสงค์ทางวิทยาศาสตร์หลักๆ มีดังนี้:
การเก็บข้อมูลบรรยากาศ (Atmospheric Data Collection): การติดตามและวิเคราะห์การเปลี่ยนแปลงของความหนาแน่นและองค์ประกอบของบรรยากาศ เพื่อสนับสนุนการศึกษาสภาพภูมิอากาศและปรับปรุงแบบจำลองวงโคจร เก็บข้อมูลให้ครบ จัดไปวัยรุ่น!
การวัดสนามแม่เหล็กโลก (Geomagnetic Field Measurement): จัดการวัดความผันผวนของสนามแม่เหล็กโลกด้วยความละเอียดสูง ซึ่งจำเป็นมากสำหรับการศึกษาผลกระทบของสภาพอากาศอวกาศต่อเทคโนโลยีดาวเทียม งานนี้ต้องแม่นยำนะน้อง ไม่งั้นข้อมูลเพี้ยนหมด!
การประเมินการจัดการพลังงานแสงอาทิตย์ (Solar Energy Management Assessment): ทดสอบและปรับแต่งเทคนิคการเก็บและกักเก็บพลังงาน เพื่อให้ภารกิจ CubeSat ดำเนินต่อไปได้ด้วยประสิทธิภาพการใช้พลังงานที่ดียิ่งขึ้น ต้องทำให้แบตเตอรี่อยู่ได้นานๆ นะตัวนี้!
3. การสาธิตเทคโนโลยี (Technology Demonstration)
ดาวเทียม HC3 CubeSat ตัวนี้ทำหน้าที่เป็นสนามทดสอบสำหรับระบบฮาร์ดแวร์ใหม่ๆ โดยจะประเมินประสิทธิภาพของมันในสภาพแวดล้อมอวกาศจริงๆ เลย เป้าหมายหลักของการสาธิตเทคโนโลยีมีดังนี้:
- การประเมินเซ็นเซอร์พลังงานต่ำ (Low-Power Sensor Evaluation): ดาวเทียมติดตั้งเซ็นเซอร์พลังงานต่ำขั้นสูงสำหรับตรวจสอบอุณหภูมิ ความดัน และความเข้มสนามแม่เหล็ก เซ็นเซอร์พวกนี้ออกแบบมาให้กินไฟน้อยแต่ให้ข้อมูลความแม่นยำสูง เราจะได้ดูกันว่ามันจะทนทานในวงโคจรระดับต่ำ (LEO) ได้แค่ไหน อย่าช็อตนะตัวนี้!
- การทดสอบโปรโตคอลสื่อสาร LoRa (LoRa Communication Protocol Testing): ติดตั้งโมดูลสื่อสารแบบ LoRa เพื่อทดสอบความเป็นไปได้ของการสื่อสารระยะไกลพลังงานต่ำในวงโคจรระดับต่ำ (LEO) การทดสอบนี้จะประเมินความน่าเชื่อถือและประสิทธิภาพของโปรโตคอลสำหรับการส่งข้อมูลในสภาพแวดล้อมต่างๆ
- การเก็บและกระจายพลังงาน (Energy Storage and Distribution): HC3 ผนวกระบบพลังงานแสงอาทิตย์กับแบตเตอรี่ลิเธียมไอออน เพื่อทดสอบการเก็บและการจัดการพลังงานแบบปรับตัวได้ภายใต้ความต้องการพลังงานที่ผันผวน เป้าหมายคือการปรับแต่งให้ดาวเทียม CubeSat ทำงานได้ยาวนานที่สุด
4. การตั้งค่าการทดลองและการเก็บข้อมูล (Experimental Setup and Data Collection)
- เซ็นเซอร์และเครื่องมือวัด (Sensors and Instrumentation): CubeSat ติดตั้งเซ็นเซอร์หลายชนิด เช่น เซ็นเซอร์วัดความดันอากาศ (Barometric) สนามแม่เหล็ก (Magnetic) และความร้อน (Thermal) ซึ่งจะเก็บข้อมูลตามช่วงเวลาที่กำหนดตลอดภารกิจ เซ็นเซอร์เหล่านี้ช่วยให้เราติดตามสภาพแวดล้อมที่ส่งผลต่อดาวเทียมได้อย่างละเอียด
- การบันทึกและส่งข้อมูล (Data Logging and Transmission): ข้อมูลที่เซ็นเซอร์เก็บมาจะถูกบันทึกและส่งกลับมายังโลกเป็นระยะๆ โดยใช้โมดูลสื่อสาร LoRa ข้อมูลนี้จะให้ความเข้าใจเกี่ยวกับคุณสมบัติของบรรยากาศและสนามแม่เหล็กในวงโคจรระดับต่ำ (LEO) เพื่อสนับสนุนการวิจัยทางวิทยาศาสตร์ที่กว้างขึ้นเกี่ยวกับสภาพอากาศอวกาศและปรากฏการณ์ภูมิอากาศ
- การประมวลผลและวิเคราะห์ (Processing and Analysis): ไมโครโพรเซสเซอร์ภายใน CubeSat ถูกโปรแกรมให้ประมวลผลข้อมูลดิบจากเซ็นเซอร์ กรองสัญญาณรบกวน และเพิ่มความแม่นยำของข้อมูล วิธีนี้จะทำให้ดาวเทียมสามารถส่งข้อมูลที่เชื่อถือได้และถูกบีบอัดแล้ว ช่วยรักษาข้อมูลให้ได้มากที่สุดแม้แบนด์วิธจะจำกัด
5. การตรวจสอบภารกิจและผลลัพธ์ที่คาดหวัง (Mission Validation and Expected Outcomes)
- การตรวจสอบความแม่นยำของการเก็บข้อมูล (Validation of Data Collection Accuracy): ข้อมูลจากเซ็นเซอร์ของ HC3 จะถูกนำไปเปรียบเทียบกับการอ่านค่าจากภาคพื้นดินและข้อมูลดาวเทียมที่มีอยู่ เพื่อยืนยันความแม่นยำและความน่าเชื่อถือของการวัด
- ความทนทานของเทคโนโลยี (Technology Endurance): ภารกิจนี้ออกแบบมาเพื่อยืนยันการทำงานระยะยาวของเทคโนโลยีใหม่ๆ ในอวกาศ ความผิดปกติหรือขัดข้องใดๆ ที่ตรวจพบในประสิทธิภาพเซ็นเซอร์ การส่งข้อมูล หรือการจัดการพลังงาน จะให้ข้อมูลเชิงลึกที่มีค่าสำหรับการออกแบบดาวเทียมในอนาคต
- ความเป็นไปได้ในการปฏิบัติงานของ LoRa ใน LEO (Operational Feasibility of LoRa in LEO): ภารกิจนี้จะประเมินความสามารถของโปรโตคอล LoRa ในการสนับสนุนการสื่อสารที่สม่ำเสมอและการถ่ายทอดข้อมูลที่เชื่อถือได้เป็นเวลานานในสภาพแวดล้อมการทำงานของดาวเทียม
6. บทสรุป (Conclusion)
ภารกิจดาวเทียม HC3 CubeSat มีความหวังสูงมากในการก้าวหน้าในด้านการเก็บข้อมูลดาวเทียมขนาดเล็กและการทดสอบเทคโนโลยี ด้วยการมุ่งเน้นไปที่การตรวจสอบสภาพแวดล้อมและการตรวจสอบระบบประหยัดพลังงานและพลังงานต่ำใหม่ๆ HC3 มีส่วนช่วยในการเพิ่มความทนทานและประสิทธิภาพการทำงานของ CubeSat ในวงโคจรระดับต่ำ (LEO) ผลลัพธ์ของภารกิจคาดว่าจะสนับสนุนการพัฒนา CubeSat รุ่นต่อไป ซึ่งติดตั้งเซ็นเซอร์พลังงานต่ำที่แข็งแกร่งและระบบสื่อสารที่น่าเชื่อถือ ช่วยให้การสำรวจทางวิทยาศาสตร์และนวัตกรรมทางเทคโนโลยีขยายตัวได้มากขึ้น สู้งานนะน้อง!







โครงสร้างพื้นฐานของระบบ
ฮาร์ดแวร์ของ HC3 CubeSat นี้มันรวมเอาอุปกรณ์หลักๆ ไว้ด้วยกันแบบจัดเต็ม:
- Arduino Mega หรือ ESP32: ทำหน้าที่เป็นสมองโปรแกรมได้ที่ถอดเปลี่ยนได้ (removable, programmable brain) สำหรับจัดการคำสั่งและข้อมูล
- แผ่นวงจรพิมพ์ (PCB) แบบสั่งทำพิเศษ หรือไม่ก็ใช้แผ่น Perfboard ขนาดใหญ่บัดกรีเอง สำหรับวางระบบจ่ายไฟและวงจรสวิตชิ่งอิเล็กทรอนิกส์
- MOSFET Array (IRLZ44N หรือสวิตช์กำลังสูงตัวอื่นๆ) + ไขมันระบายความร้อน (Thermal paste) และฮีตซิงค์ เพื่อควบคุมกำลังไฟแบบมั่นคง ไม่พังง่าย
- ขั้วต่อสกรูหนาๆ: ไว้รับสายไฟเบอร์ใหญ่จากโซลาร์เซลล์และแบตเตอรี่ได้อย่างปลอดภัย ห้ามช็อตนะตัวนี้
- LM2596 Buck Converters, Optocouplers (PC817) เพื่อแยกวงจรสัญญาณ (logic) ออกจากวงจรกำลัง (power) ให้เป็นอิสระต่อกัน และ ฟิวส์แบบ In-line สำหรับป้องกันระบบ
ไฟล์สำหรับ MakerWorld, GitHub, X (เดิมคือ Twitter) และ DFRobot นั้นมีให้ดาวน์โหลดกันนะน้อง ไปหาดูในช่องทางต่างๆ ของโปรเจคนี้ได้เลย สู้งานนะน้อง!